Кран шаровой трех ходовой из нержавеющей стали aisi 304Т/L-порт ДУ 15-100 Ру 16
Кран шаровой трех ходовой из нержавеющей стали aisi 304 Т/L-порт ДУ 15-100 Ру 16

Особенности:
- Угол полного поворота: 90°
- Долгий срок службы
- Модели -065, -080, -100 поставляются в сборе с монтажным крепежом и переходником (кроме модели -080)
- Внимание! Если у крана и привода различаются посадочные размеры, то для соединения потребуется монтажный комплект и переходники (не входят в комплект поставки). Менеджеры подбирают их дополнительно при заказе
- Для защиты крана от попадания инородных частиц необходима установка фильтров перед входным отверстием крана
- Для герметизации фланцевых металлических соединений рекомендуется прокладки герметики.
Технические характеристики:
| Параметр | Значение |
| Тип крана | Т/L (переключающий) |
| Рабочая среда | Пар, вода, горячая вода, воздух, инертные газы, природный газ, масла, азотная кислота, уксус |
| Материал | Корпуса: нержавеющая сталь Уплотнения: PTFE |
| Температура рабочей среды | −20...+150°С |
| Рабочее давление | 0,0...1,6 МПа |
| Диаметр условного прохода | 15...100 мм |
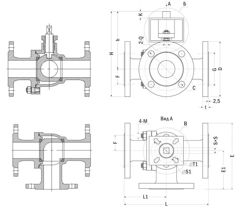
| Присоединение крана | Фланцевое F½"...F4" |
| Стандарт присоединения крана к приводу | ISO5211 |
| Ду, мм | Kv, м³/ч | Присоединение | Посадочный размер крана, мм | Вес, г |
| 15 | 20 | F½" | 11×11 | 3460 |
| 20 | 38 | F¾" | 11×11 | 4000 |
| 25 | 69 | F1" | 11×11 | 4960 |
| 32 | 93 | F1¼" | 14×14 | 19700 |
| 40 | 144 | F1½" | 14×14 | 23480 |
| 50 | 229 | F2" | 14×14 | 11450 |
| 65 | 404 | F2½" | 17×17 | 18380 |
| 80 | 573 | F3" | 17×17 | |
| 100 | 936 | F4" | 22×22 | 32 |









