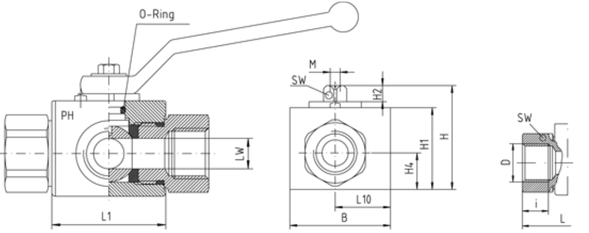
Шаровой кран трехходовой Т/L-порт на высокое давление от 250 до 400 бар из нержавеющей стали aisi 316 уплотнение POM — NBR Ду 1/8(4) до 2(50) Ру 250-400 (25-40 МПа) управление ручное, пневмопривод, электропривод.
Шаровой кран трехходовой Т/L-порт на высокое давление от 250 до 400 бар из нержавеющей стали aisi 316 уплотнение POM - NBR Ду 1/8(4) до 2(50) Ру 250-400 (25-40 МПа) управление ручное, пневмопривод, электропривод.

L/Т-образный клапан
DN 4 до DN 50
Корпус, шар и шток - V4a (AISI 316)
Каждый шаровой кран PH проходит проверку на прочность, герметичность и особые характеристики.
Шаровое уплотнение: POM Уплотнение штока: NBR
Гидравлика - стандартное исполнение От -20°C до 100°C








